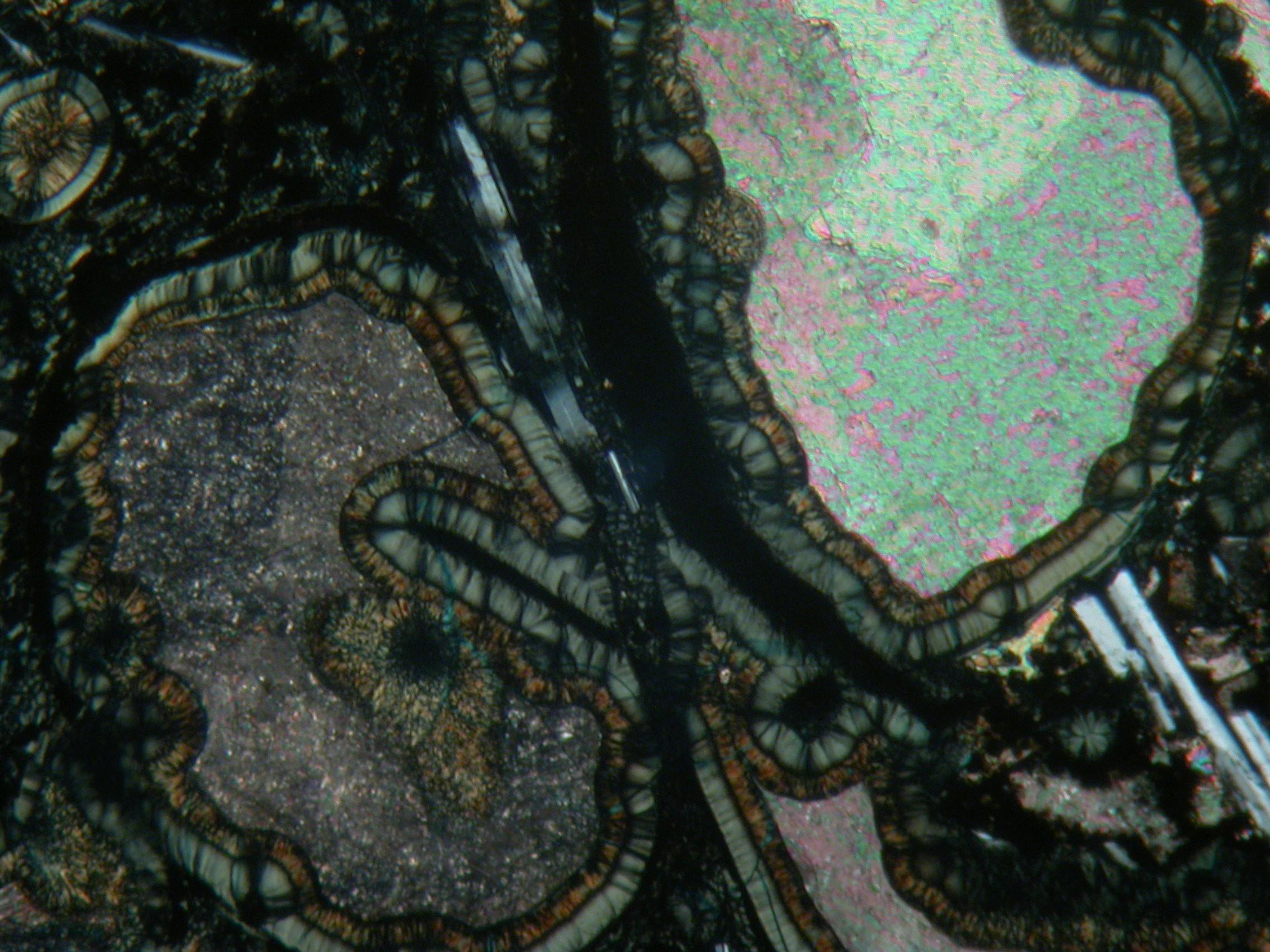
#ThinSectionThursday It's all quartz in today's rock, an Upper Cretaceous pure quartz-sandstone from the Lochaline sand mine. This particular sample is quite well-cemented together by syntaxial quartz overgrowths on the older round quartz grains. You can see the ghostly round grain boundaries of the original sedimentary grains. New quartz has then grown with the same crystal orientation around each grain, turning the loose sand into sandstone. Field of view 2mm across. π€©






























